臭氧催化劑投加量對模擬草酸廢水COD 去除效果的影響 比較了單獨臭氧氧化、MnO2催化劑吸附和MnO2催化臭氧氧化3 個體系對模擬草酸廢水COD 的去除效果,考察催化劑投加量對COD 去除率的
閱讀量:13222022
美國2B 臭氧 檢測儀 校準方法 1. 進入儀器菜單并記下儀器中使用的校準參數 Z 和 S。這些參數可能有助于校正儀器獲得的最新數據。此外,將新校準參數與舊校準參數進行比較有助于診
閱讀量:5742022
使用臭氧對機艙進行臭氧消毒實驗 來自亞利桑那大學公共衛生學院 Energy Quest Technologies 的團隊, 和皮馬航空航天博物館測試一種更有效的飛機清潔方法 問題: 在 2020 年冠狀病毒大流行
閱讀量:5962022
催化劑填料這一名詞,在化工行業有見,但不常用。催化劑的功能是加速反應,屬化學學科概念;填料的功能是為傳質和反應提供場所,屬化工學科概念。在催化臭氧化過程中, OH產生
閱讀量:7002022
魯奇煤氣化廢水臭氧化前后的有機污染物特征 摘要 魯奇煤氣化廢水蒸餾和提取出水具有低可生化性和高毒性,抑制了進一步的生物降解。然而,臭氧化提高了廢水的可生物降解性,降
閱讀量:5202022
MBR+臭氧工藝在工業區水回用中的應用 1 工程概況 此次工業水回用項目位于某工業區,占地總面積達10 m2,每日污水排量近5 000m3,日污水處理量達200 m3,處理后的水用來進行綠化灌溉,
閱讀量:6442022
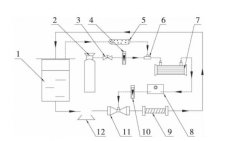
臭氧通氣量對COD去除效果的影響 臭氧氧化試驗的進水為脫酚蒸氨出水,具體為出水通過管道進入裝置集水箱,集水箱內設有泵機將廢水按一定流速從反應塔底部進水口進入反應塔,與通
閱讀量:17542022
由于臭氧水具有氧化性強、無化學殘留、高效全能、方便快捷、經濟環保等優點,近年來,被廣泛應用于家庭飲用水消毒、食品及鮮切果蔬的殺菌保鮮等方面[1-2]。臭氧殺菌消毒過程主
閱讀量:7292022
水產養殖中多層式臭氧混合試驗裝置與系統 2012年,我國水產品總量達到5906萬t,其中養殖產量4305萬t,已經連續24年居世界第1位。工廠化循環水養殖模式作為工業化水平最高的養殖模式
閱讀量:7262022
利用不同濃度臭氧處理黃沙鱉育苗的水體 黃沙鱉(Trionyx sinensis)是中華鱉的地方種,分布于廣西、廣東的西江流域地區,是西江水系特有的鱉種,尤以貴港市境內的潯江、郁江流域分
閱讀量:5892022
常溫下空氣中臭氧半衰期的實驗 [摘要]臭氧是一種不穩定的物質,極易分解后還原成氧氣,研究臭氧的半衰期,對正確使用某些臭氧產品有一定意義。 [關鍵詞]臭氧半衰期;常溫;空氣
閱讀量:9632022
臭氧冰制備技術及其在食品保鮮中的應用研究進展 袁成豪 YUAN Cheng - hao 劉永樂 LIU Yong - le 黃軼群 HUANG Yi - qun 王建輝 WANG Jian - hui 黃壽恩 HUANG Shou - en 李向紅 LI Xiang - hong 王發祥 WANG ...
閱讀量:15302022
臭氧在醋酸溶液中溶解及穩定性研究 詹琪琪 1 ,閻 杰 2 ,周國豪 2 (1.仲愷農業工程學院輕工食品學院,廣東 廣州 510225;2.仲愷農業工程學院化學化工學院,廣東 廣州 510225) 摘 要:
閱讀量:22582022
Copyright ? www.mywudao.cn 北京同林臭氧實驗網 版權所有 非商用版本 備案號:京ICP備17038069-1號